繁
。
ENG
。
简
主页
货品登录
即将抵港
会员订货
货品搜寻
过往记录
改车图鉴
会员专区
公司简介
服务台
联络我们
送货服务
特价货摊
招聘人才
1
2
3
All Brand
5 ZIGEN
ADVANCE
AIR FRESHENER
APEXI
AP RACING
ARC
ARQRAY
BILSTEIN
BLITZ
BRIDE
CASTROL
CUSCO
DEFI
DIXCEL
DTM
EIBACH
ENDLESS
ESPELIR
EXEDY
FUJITSUBO
GAB
GANADOR
GARSON
GRUPPE M
GOODRIDGE
GT BEAR
H&R
HARDRACE
HTC
HKS
INGS
K&N
KAAZ
KYB
MOTUL
MUGEN
NGK
NISMO
PROJECT MU
RALLIART
SAMCO
SONIC
SPOON
SSS
STI
STICKER
SUPER GT
TODA
TRUST
VISION
VOLTRONIC
VRS
WEAPON-R
WORK
--------
ACURA
ALFA
AUDI
BENZ
BMW
DAIHATSU
FIAT
FORD
HONDA
LEXUS
MAZDA
MINI-COOPER
MITSUBISHI
NISSAN
PEUGEOT
SUBARU
SUZUKI
TOYOTA
VOLKSWAGEN
VOLVO
4
.订购程序
.付款方法
.外汇兑换
.运送及其它须知
.联络我们
3
5
9
3
0
3
7
5
9
7
7
0
1
2
8
3
5
货品查询
/
立即购买
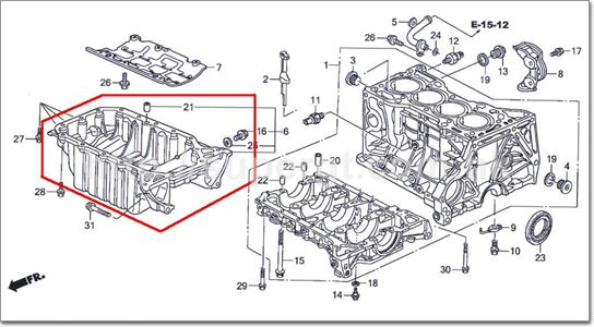
货品编号:
ENHAFD2005
品 番:
11200-RRC-000
内 容:
FD2 (CIVIC) TYPE R HONDA OIL PAN (油底)
价 钱:
港币:2,200
返回上一页
版权所有 不得转载 © 2008 Super GT Limited 示